COCO Simulator es una herramienta de simulación de procesos químicos de código abierto que está ganando impulso en la comunidad de ingeniería química. Es un simulador de procesos químicos bastante completo y atractivo, que cuenta con todas las características necesarias para ser considerado como opción que pueda competir directamente con los principales simuladores comerciales, como Hysys o Pipephase.
![]() |
| Simulador de procesos Químicos COCO. Imagen de COCO |
En este artículo, exploraremos en detalle esta potente herramienta, desvelando sus secretos y ventajas clave. Descubre cómo COCO Simulator puede ser tu aliado en la resolución de problemas cotidianos en la industria y en la prueba y escalado de procesos, y por qué se ha convertido en una elección emergente y atractiva tanto para estudiantes, como para profesionales de la ingeniería química.
Tabla de Contenidos
- ✔¿Qué es COCO Simulator?
- ✔Características Destacadas de COCO Simulator
- ✔Descargar e Instalar COCO Simulator
- ✔¿Cómo Usar COCO Simulator?
¿Qué es COCO Simulator?
![]() |
| Simulando procesos industriales con COCO Simulator. Imagen de COCO |
Comencemos por la definición más simple de que es COCO Simulator:
Se trata de un software de código abierto y gratuito que se ha convertido en un recurso esencial tanto para estudiantes de ingeniería química como para profesionales de la industria, gracias a la gran cantidad de opciones y de funcionalidades con las que cuenta y que permite realizar cualquier tipo de tarea de simulación de manera rápida y eficiente.
Un Pilar de la Simulación de Procesos Químicos
COCO que significa "CAPE-OPEN to CAPE-OPEN," es un entorno de simulación de estado estable que forma parte del estándar CAPE-OPEN. Pero, ¿qué significa esto?
El estándar CAPE-OPEN establece un conjunto de normas para la interoperabilidad de software en la industria de procesos químicos. COCO Simulator cumple con estas normas, lo que lo convierte en una herramienta versátil que puede integrarse con otros simuladores y software de tipo comercial existentes en esta área.
Ventajas del Código Abierto de COCO Simulator
Una de las ventajas más destacadas de COCO Simulator es su naturaleza de código abierto. Esto significa que su código fuente está disponible para la comunidad, lo que permite una personalización y desarrollo continuo por parte de usuarios y desarrolladores. Las ventajas de esta apertura incluyen:
- Flexibilidad: COCO puede adaptarse a tus necesidades específicas, lo que lo hace versátil para una amplia gama de aplicaciones dentro del campo de la simulación de procesos químicos
- Costo: COCO Simulator es accesible para estudiantes y profesionales sin tener que preocuparse por el pago de licencia, ya que es de uso libre o gratuito
- Comunidad Activa: La comunidad de usuarios y desarrolladores de COCO está en constante crecimiento, lo que significa que siempre hay recursos y soporte disponibles.
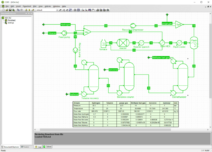
Características Destacadas de COCO Simulator
![]() |
| Resultados de una simulación hecha en COCO Simulator. Imagen de COCO |
Entre las principales características de COCO Simulator, tenemos las siguientes:
Interfaz Amigable e Intuitiva
Una de las primeras impresiones al usar COCO Simulator es su interfaz de usuario intuitiva. Está diseñada para ser amigable y fácil de navegar, lo que facilita su uso para principiantes y expertos por igual. La curva de aprendizaje es suave, permitiéndote poner en marcha tus proyectos de simulación rápidamente y sin complicaciones, facilitando enormemente el trabajo del usuario.
Resolución de Problemas Complejos
COCO Simulator posee la capacidad para resolver problemas químicos y de procesos complejos. Cuenta con una amplia biblioteca de termodinámica y datos para más de 430 sustancias químicas comunes, permitiendo modelar una amplia variedad de escenarios y situaciones. Además, ofrece más de 100 métodos de cálculo de propiedades, lo que te permite abordar desafíos de alta complejidad con confianza y seguridad.
Integración con Estándar CAPE-OPEN
Una de las ventajas fundamentales de COCO Simulator es su conformidad con el estándar CAPE-OPEN. Esto significa que puede integrarse fácilmente con otros simuladores y herramientas de la industria química, lo que amplía su utilidad y versatilidad. Esta característica es especialmente valiosa en un entorno donde la colaboración y la interoperabilidad son cruciales.
Personalización y Código Abierto
COCO Simulator se adapta a tus necesidades específicas. Como software de código abierto, su código fuente está disponible para personalizaciones y mejoras. Esto significa que puedes ajustarlo para que se ajuste perfectamente a tu proyecto o flujo de trabajo, lo que lo convierte en una herramienta muy versátil.
Comunidad de usuarios activa
Detrás de COCO Simulator hay una comunidad activa de usuarios y desarrolladores que contribuyen al desarrollo y soporte continuo de la herramienta. Esto significa que siempre puedes encontrar ayuda, recursos y soluciones a medida que avanzas en tu experiencia de simulación.
Descargar e Instalar COCO Simulator
A continuación, te proporcionamos una guía paso a paso para descargar e instalar COCO Simulator en tu sistema:
Paso 1: Accede a la descarga
Lo primero que debes hacer es acceder al sitio web oficial de COCO Simulator. Puedes encontrar el enlace de descarga en la página principal.
Paso 2: Instalación
Una vez finalizada la descarga, ejecuta el archivo de instalación. Sigue las instrucciones en pantalla para completar el proceso de instalación.
Paso 3: Actualización de software
Después de la instalación, sigue las indicaciones para realizar las actualizaciones requeridas de COCO Simulator.
Paso 4: Comienza a Simular
Ya estás listo para empezar! Con COCO Simulator correctamente instalado y configurado, puedes comenzar a crear y ejecutar simulaciones de procesos químicos.
¿Cómo Usar COCO Simulator?
![]() |
| Propiedades y gráficos de resultados en COCO Simulator. Imagen de COCO |
En las siguientes líneas aprenderás a grandes rasgos a crear flujos de trabajo, ejecutar simulaciones y aprovechar al máximo el poder del simulador de procesos COCO.
Creación de Flujos de Trabajo
Antes de comenzar cualquier simulación, es esencial comprender cómo crear flujos de trabajo en COCO Simulator. Los flujos de trabajo son representaciones visuales de tus procesos químicos y permiten definir y conectar las unidades de simulación. Sigue estos pasos:
- Abre COCO Simulator y selecciona "Nuevo Proyecto"
- Arrastra y coloca las unidades de simulación desde la paleta de herramientas en la ventana de trabajo
- Conecta las unidades de simulación arrastrando y soltando conexiones entre ellas
- Configura las propiedades de las corrientes y las unidades según tu proyecto
Ejecución de Simulaciones
Una vez que hayas creado tu flujo de trabajo, es hora de ejecutar una simulación. COCO Simulator utiliza un algoritmo de solución secuencial con corrientes de arranque automáticas para calcular los resultados. Sigue estos pasos para ejecutar una simulación:
- Selecciona la unidad de inicio en tu flujo de trabajo.
- Haz clic en "Ejecutar Simulación"
- COCO Simulator resolverá las ecuaciones de tu proceso y mostrará los resultados en tiempo real
Resolución de Problemas
![]() |
| Unidades disponibles para simulación de procesos en COCO. Imagen de COCO |
COCO Simulator te proporciona una variedad de herramientas para resolver problemas químicos y de procesos. Puedes analizar los resultados de tus simulaciones, ajustar parámetros y observar cómo afectan a tu proceso. Además, puedes realizar análisis de sensibilidad y optimización para mejorar aún más tus diseños.
Conclusión
En este artículo, hemos presentado las principales capacidades de COCO Simulator, un recurso destacable para estudiantes y profesionales de la ingeniería química dentro del área de la simulación de procesos. Su accesibilidad, versatilidad y comunidad activa lo convierten en una opción que vale la pena tomar en cuenta.
Esperamos que esta guía te haya inspirado a dar tus primeros pasos con COCO Simulator. Como siempre, te invitamos a compartir tus experiencias y preguntas en la sección de comentarios.
COCO Simulator: Simulador de Procesos Open Source de gran versatilidad © 2023 by Ing. Bulmaro Noguera is licensed under Attribution-NonCommercial-NoDerivatives 4.0 International





0 Comentarios